Pachet Centrala Mixta Lemn si Peleti Fornello Eco Energy WB 50 kW, Cos Inox, Calorifere Aluminiu, Boiler termoelectric, Vas expansiune, Pompa, Arzator Fornello B-HOME 34 kW cu snec B-MAX, Buncar peleti 280 kg si fitinguri montaj
SKU: EcoEn50-B-h34alumcos
Categorie: Arzatoare pe peleti, Calorifer, Cazane combustibil solid, Centrale Mixte Lemn si Peleti, Centrale Termice, Fornello, Panouri Solare cu Tuburi Vidate Presurizate si Rezervor din Inox, Piese Centrale, Termoseminee si Sobe pe Peleti, Termoseminee pe Peleti
Furnizor:Fornello
Pachet Centrala Mixta Lemn si Peleti Fornello Eco Energy WB 50 kW, Cos Inox, Calorifere Aluminiu, Boiler termoelectric, Vas expansiune, Pompa, Arzator Fornello B-HOME 34 kW cu snec B-MAX, Buncar peleti 280 kg si fitinguri montaj
Pachetul include urmatoarele produse:
1. Centrala pe combustibil solid Fornello Eco Energy WB 50 kW
2. ARZATOR PELETI FORNELLO B-HOME 34 KW CU SNEC B-MAX
3. Buncar Peleti Sunsystem, Model FH 500, Volum 500L
4. Cos de fum 6 ml, diametru 200 mm dublu perete inox-inox, izolat cu vata bazaltica, format din: flansa sol, teu racordare, teu curatare, 5 tronsoane de 1 metru, palarie antipoaie, 2 coliere fatada, racord dublu perete-simplu perete;
5. Set Radiatoare (calorifere) din aluminiu Fornello G600F, set accesorii radiator aluminiu, radiator port prosop pentru baie si robineti tur/retur format din:
Radiator (calorifer) din aluminiu Fornello G600F 10 elementi, 20 ani garantie, inaltime 600 mm - 8 buc;
Set accesorii radiator (calorifer) aluminiu format din 11 piese - 8 set;
Reductii 1'x1/2"= 4 buc (doua buc stanga si doua bucati dreapta)
Aerisitor manual 1/2" -1 buc
Dop 1/2" - 1 buc
Cheie aerisitor - 1 buc
Console - 2 buc
Dibluri console - 2 buc
Set robineti tur/retur - 9 set;
Radiator port prosop pentru baie 400 x 1000 mm – 1 buc;
6. Boiler termoelectric cu o serpentina Fornello Optima GCVS 1004415 D09 TR 1S, 100 Litri, 1500 watt, reglaj extern al temperaturii, poliuretan expandat;
7. Vas expansiune 100 litri;
8. Pompa circulare 32-60 si olandezi;
9. Kit fitiguri montaj de baza (acest set nu include toate fitingurile, sunt doar cele de baza principale, restul se vor achizitiona impreuna cu instalatorul sau firma care va efectua montajul) format din:
- Grup de siguranta;
- Termostat de contact - 1 buc;
- Filtru Y 1" - 1 buc;
- Robinet trecere 1" - 2 buc;
- Robinet golire 1/2" - 1 buc;
Centrala pe combustibil solid Fornello Eco Energy WB 50 kW
Cazanele Fornello Eco Energy sunt realizate din materiale certificate si de inalta calitate si beneficiaza de un design modern.
Constructia cazanului este armonizata conform directivelor europene si standardelor europene.
Cazanul a fost testat în conformitate cu standardele EN 303-5 si indeplineste toate conditiile de conectare la o instalatie de incalzire centrala.
Cazanul este destinat incalzirii centrale a unitatilor rezidentiale mai mici, a caselor familiale, a firmelor, etc.
Cazanul functioneaza pe combustibil solid.
Temperatura de lucru a cazanului este de 60-90 °C.
Camera de ardere si partea convectiva a cazanului Fornello Eco Energy sunt realizate din tabla din otel de inalta calitate folosind tehnologia de sudare.
Cazanul este bine izolat cu vata minerala.
Instalarea si punerea in funcțiune a cazanului sunt simple, iar conexiunile sunt standard.
Avantajele folosirii unei centrale pe combustibil solid Fornello Eco Energy WB 50 kW
- Foloseste cele mai ieftine surse de incalzire, pretul inferior al combustibilului folosit care poate fi lemn sau carbune, este de pana la 2-3 ori mai mic decat pretul celorlalte surse de incalzit;
- Ramanane cea mai simpla si accesibila solutie atat pentru incalzirea locuintei, cat si pentru prepararea de apa calda menajera care se poate realiza prin intermediul unui boiler cu serpentina (termoelectric), fiind foarte utila in zonele unde nu exista retea de gaze naturale, putand inlocui cu succes clasicele sobe;
- Durata lunga de viata fara probleme, costuri de exploatare si intretinere reduse, fiind un cazan clasic fara automatizari, probabilitatea de a avea o avarie este foarte redusa;
- Centrala poate fi utilizata in spatii cu o suprafata peste medie, care poate ajunge chiar si la 300 de metri patrati;
- Este o centrala eficienta, cu un randament ridicat;
- Lemnul este ars integral, fumul rezultat fiind curat, fara impact asupra mediului;
- Intretinere facila, cu descarcarea cenusii de cateva ori pe luna;
Elementele cazanului Fornello Eco Energy WB 50 kW
1. Racord tur cazan
2. Racord serpentina de racire
3. Racord Coș de fum
4. Orificiu de curățare a coșului de fum
5. Racord retur cazan
6. Racord alimentare si golire cazan
7. Termometru
8. Orificiu conectare regulator tiraj (nu vine la pachet cu cazanul, se va achizitiona separat)
9. Usa alimentare cu combustibil
10. Usa pentru curatare
11. Usa pentru aer primar
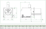
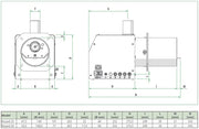
Specificatii tehnice Cazan Fornello Eco energy WB 50 kW
INFORMATII UTILE
In centrala nu trebuie facut focul înainte de conectarea la sistemul de Încălzire centrala.
Înainte de a porni focul, verificati daca sistemul de incalzire centrala este corect aerisit.
Pompa de circulare trebuie conectata la un termostat/controler, cu sonda montata pe conexiune de tur, cat mai aproape de cazan, care trebuie setat la minim 60 grade.
MODEL SCHEMA DE MONTAJ CU ELEMENTELE NECESARE INSTALARII UNUI CAZAN COMBUSTIBIL SOLID FORNELLO ECO ENERGY WB 50
1. Termostat pompa
2. Vas expansiune
3. Robinet
4. Vana amestec
5. Supapa presiune
6. Aerisitor automat
7. Boiler termoelectric
8. Pompa circulare
9. Supapa sens
10. Robinet cu sertar
11. Filtru Y
12. Manometru
Regulatorul de tiraj, vana de descarcare termica (BVTS) si vana de amestec sunt obligatorii, dar nu se livreaza impreuna cu cazanul!
Timpul de ardere al cazanului depinde de:
- Respectarea schiței de montaj, recomandată de producator;
- Cantitatea de combustibil;
- Proprietatile combustibilului (umiditate, esenta, puterea calorica);
- Temperatura exterioara;
- Suprafata si izolația locuintei;
- Temperatura dorita în locuinta;
Imaginea de mai jos arata cum se instaleaza conducta de evacuare.
Conducta de evacuare nu trebuie să aibă mai mult de 3 coturi si nu trebuie sa fie mai mare de 1,5 m.
Conducta de evacuare trebuie sa fie la un unghi de cel putin 30 grade. Tevile de evacuare nu trebuie sa fie in pozitie orizontala.
Un amortizor este instalat in camera de ardere a cazanului.
Rolul amortizorului este de a impiedica cazanul sa sufle fum in usa atunci când deschide usa de ardere, adica sa directioneze gazele de ardere spre cosul de fum cu ajutorul amortizorului.
Cand usa de ardere este inchisa, amortizorul revine la pozitia initiala, astfel incat gazele de ardere sa treaca prin schimbatorul cazanului si cazanul sa primeasca o utilizare cu un randament maxim.
Gratarul pe care sunt asezate lemnele are rol si de recuperator de caldura, prin interiorul acestuia circuland agent termic.
Pentru protectia hidraulica in sistemul inchis este necesara instalarea unei vane termice de siguranta cu 2 cai (nu este inclusa in furnitura standard). Daca din anumite motive temperatura apei din cazan depaseste 95°C, vana termica se deschide automat, astfel ca apa rece de la retea intra in cazan, prin serpentina de racire, pentru a reduce temperatura agentului termic din cazan.
Focul din cazan se poate stinge fortat in caz de urgenta doar cu nisip, sau extinctor, nu se foloseste apa.
Arzator PELETI FORNELLO B-HOME 34 KW CU SNEC B-MAX de putere scazuta, creat pentru clădiri civile. Este echipat cu un șnec de alimentare cu încărcare automata.
Arzatoarele care folosesc tehnologia Bmax dispun de un sistem de curatare inovativ care funcționează la interval regulate: acest sistem asigură curățarea periodică a grătarului pentru combustibil de posibilele reziduuri care ar putea afecta arderea corecta sau care ar putea induce sufocarea flăcării. Astfel este evitată posibilitatea opririi arzatorului și dispersia gazelor arse nocive.
Sunt constituite dintr-un cap de ardere rotund, un ventilator principal cu viteză variabilă, un sistem de aprindere fiabil, datorită aprinzătorului și a fotocelulei de depistare a flăcării, un șnec intern pentru alimentarea cu combustibil si sunt pregătite pentru instalarea unui kit de auto-curățare cu aer comprimat.
Arzatoarele de peleti B-Max 34 conțin echipamente de siguranță:
Termostat de siguranță arzator (pentru prevenirea returului flăcării)
Supapa pentru întreruperea focului (opțional) (pentru prevenirea returului flăcării)
Arzator peleti B-Max B-Home Round 34 kW
- Puterea arzatorului: 12 ÷ 34 kW
- Alimentarea electrica: 230~50 V~Hz
- Consumul mediu de energie: 60 W
- Aprinderea: 170 W
- Siguranta (cu intarziere): 3.15 A
- Nivelul de zgomot: 35 dBA
- Lungimea flacarii: 200 mm
Dimensiunile minime ale camerei cazanului de combustie:
- Inaltime: 300 mm
- Latime: 300 mm
- Adancime: 350 mm
- Tirajul cosului de fum: 20 Pa
- Camera Ø140 mm
Arzator peleti B-Max B-Home Round 25 si B-Essential Round 50 - date tehnice
Arzatoarul B-Home 34 kw se potate instala pe cazane de noua generatie, cuptoare pentru paine, generatoare de aer cald, pana la transformarea cazanelor vechi.
Trebuie sa fie completate cu un sistem de alimentare a combustibilului constituit dintr-un snec, cu furtun pentru racordarea la arzator si dintr-un container de peleti, livrat separat ca accesoriu.
Arzatoarele si intregul sistem sunt gestionate de un panou de control cu microprocesor montat pe bordul dispozitivului care, in afara de a controla toate functiile, permite si programarea de sloturi de timp; o buna oportunitate pentru Utilizator pentru a opera dispozitivul numai atunci cand este necesar.
Avantaje:
- Functionare sigura si complet automata: pornire si oprire sigura, datorita monitorizarii permante a starii si a elementelor de siguranta incorporate;
- Sistem de autocuratare : Arzatoarele B-max au un sistem inovator de auto-curatare care se activeaza la intervale regulate. Cu acest sistem camera de ardere a combustibilului este periodic eliberata de reziduuri posibile care ar putea impiedica aprinderea si arderea corecta.
Combustibil utilizabil:
Peleti de rumegus din lemn de 6 mm diametru.
Arzatoarele si snecul se comercializeaza si se factureaza impreuna
Arzator peleti B-Max B-Home Round 34 kW - dimensiuni
Buncarul peleti Sunsystem FH 500 este fabricat din tabla de metal galvanizat ce ofera durabilitate si reduce riscurile de incendiu.
Volumul mare al acestuia face ca alimentarea cu peleti sa fie cat mai rara.
Nu necesita ajustarea ungliului arzatorului- designul acestuia permite montarea doar in unghiul corect.
Instalarea este simpla si rapida.
Schema este o potrivire exactă a cazanelor SUNSYSTEM BURNiT și arzatoarelor de peleti astfel încât acesta poate fi combinat perfect cu ele .
1. Pelet-trapa de incarcare
2. Panouri laterale
3. Parte de montare snec-deschiderea panoului
4. Sustinerea snecului
5. Pelet-placi de ghidare
6. Orificii de drenaj
7. Picior de ajustare
8. Capac recipient [raf
9. Recipient praf
10. Pelet-colectare de jos
11. Baza
12. Garnitura placa de ghidaj
CARACTERISTICI
Caracteristici Tehnice Cazan Fornello Eco Energy WB 50 kW
- Brand: Fornello
- Tip produs: Centrala mixta Lemn si Peleti
- Tip combustibil: Lemn si Peleti
- Tip ardere: Manual
- Utilizare: Rezidential
- Tip montare: Podea
- Tiraj: Natural
- Functii: Curatare facila
- Culoare: Rosu
- Putere - kW: 50
- Tensiune alimentare (V): 230 V
- Randament (%): 84 %
- Recomandat pentru incaperi pana la (m²): 300 m2
- Inaltime (mm): 1220 mm
- Latime (mm): 638 mm
- Adancime (mm): 1175 mm
- Greutate (kg): 380 kg
- Volumul de apa din cazan: 126 l
- Volumul recomandat rezervorului de stocare: 300-1000 l
- Interval de setare a temperaturii apei de incalzire °C: 60-90 C
- Diametrul cos evacuare: 180 mm
- Racord Tur: 1 1/4" Toli
- Racord Retur: 1 1/4" Toli
- Racord Golire - Alimentare: 1/2" Toli
Caracteristici Tehnice Arzator Peleti Fornello B-HOME 34 KW
- Puterea arzatorului: 12 ÷ 34 kW
- Alimentarea electrica: 230~50 V~Hz
- Consumul mediu de energie: 60 W
- Aprinderea: 170 W
- Siguranta (cu intarziere): 3.15 A
- Nivelul de zgomot: 35 dBA
- Lungimea flacarii: 200 mm
- Dimensiuni minime ale camerei cazanului de combustie: Inaltime: 300 mm, Latime: 300 mm, Adancime: 350 mm
- Tirajul cosului de fum: 20 Pa
- Camera Ø140 mm
Caracteristici Tehnice Buncar Peleti Sunsystem FH 500
- Greutate (kg): 120
- Tara de fabricatie: Bulgaria
- Adâncime (mm): 700
- Lățime (mm): 770
- Înălțime: 1170
- Volumul rezervorului (L): 500
Beneficii
- Livrare in 4 - 7 zile lucratoare pentru produsele aflate in stoc
- 30 zile drept de retur – Cumpără fără griji! Ai 30 zile pentru a returna produsul, simplu și rapid
- Achiziții SICAP – Produsele noastre sunt disponibile și prin SEAP pentru achiziții sigure și rapide
- Deschiderea coletului – Verifică produsul la livrare! Ai posibilitatea de a deschide coletul înainte de confirmare.
Fornello.ro face eforturi permanente pentru a pastra acuratetea informatiilor din acesta pagina. În cazuri rare, acestea pot contine inadvertente. Fotografiile au caracter informativ si pot contine accesorii neincluse in oferta standard, unele specificatii sau pretul pot contine erori de operare.
Doar Ce Te-Ai Uitat Și La...






















