Pachet transformare cazanele pe lemne, din combustibil solid in cazan pe peleti cu ARZATOR PELETI FORNELLO B-HOME 34 KW CU SNEC B-MAX si BUNCAR 500 LITRI
SKU: ARZATORFORNELLOB-HOME34KWCUBUNCAR
Categorie: Arzatoare pe peleti, Cazane combustibil solid, Centrale Termice, Fornello, Piese Centrale, Termoseminee si Sobe pe Peleti, Termoseminee pe Peleti
Furnizor:Fornello

Pachet transformare cazanele pe lemne, din combustibil solid in cazan pe peleti cu ARZATOR PELETI FORNELLO B-HOME 34 KW CU SNEC B-MAX si BUNCAR 500 LITRI

Continut pachet:
1- Buncarul peleti Sunsystem FH 500 este fabricat din tabla de metal galvanizat ce ofera durabilitate si reduce riscurile de incendiu.
Volumul mare al acestuia face ca alimentarea cu peleti sa fie cat mai rara.
Nu necesita ajustarea ungliului arzatorului- designul acestuia permite montarea doar in unghiul corect.
Instalarea este simpla si rapida.
2- Arzător PELETI FORNELLO B-HOME 34 KW CU SNEC B-MAX de putere scăzută, creat pentru clădiri civile. Este echipat cu un șnec de alimentare cu încărcare automata.
Arzătoarele care folosesc tehnologia Bmax dispun de un sistem de curățare inovativ care funcționează la interval regulate: acest sistem asigură curățarea periodica a grătarului pentru combustibil de posibilele reziduuri care ar putea afecta arderea corecta sau care ar putea induce sufocarea flăcării. Astfel este evitată posibilitatea opririi arzătorului și dispersia gazelor arse nocive.
Sunt constituite dintr-un cap de ardere rotund, un ventilator principal cu viteză variabilă, un sistem de aprindere fiabil, datorită aprinzătorului și a fotocelulei de depistare a flăcării, un șnec intern pentru alimentarea cu combustibil si sunt pregătite pentru instalarea unui kit de auto-curățare cu aer comprimat.
Arzătoarele de peleti B-Max 34 conțin echipamente de siguranță:
Termostat de siguranță arzător (pentru prevenirea returului flăcării)
Supapa pentru întreruperea focului (opțional) (pentru prevenirea returului flăcării)
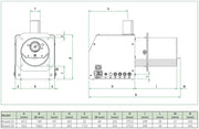
Arzator peleti B-Max B-Home Round 34 kW
- Puterea arzatorului: 12 ÷ 34 kW
- Alimentarea electrica: 230~50 V~Hz
- Consumul mediu de energie: 60 W
- Aprinderea: 170 W
- Siguranta (cu intarziere): 3.15 A
- Nivelul de zgomot: 35 dBA
- Lungimea flacarii: 200 mm
Dimensiunile minime ale camerei cazanului de combustie:
- Inaltime: 300 mm
- Latime: 300 mm
- Adancime: 350 mm
- Tirajul cosului de fum: 20 Pa
- Camera Ø140 mm
Arzator peleti B-Max B-Home Round 25 si B-Essential Round 50 - date tehnice


Arzatoarul B-Home 34 kw se potate instala pe cazane de noua generatie, cuptoare pentru paine, generatoare de aer cald, pana la transformarea cazanelor vechi.
Trebuie sa fie completate cu un sistem de alimentare a combustibilului constituit dintr-un snec, cu furtun pentru racordarea la arzator si dintr-un container de peleti, livrat separat ca accesoriu.
Arzatoarele si intregul sistem sunt gestionate de un panou de control cu microprocesor montat pe bordul dispozitivului care, in afara de a controla toate functiile, permite si programarea de sloturi de timp; o buna oportunitate pentru Utilizator pentru a opera dispozitivul numai atunci cand este necesar.
Avantaje:
- Functionare sigura si complet automata: pornire si oprire sigura, datorita monitorizarii permanente a starii si a elementelor de siguranta incorporate;
- Sistem de autocuratare : Arzatoarele B-max au un sistem inovator de auto-curatare care se activeaza la intervale regulate. Cu acest sistem camera de ardere a combustibilului este periodic eliberata de reziduuri posibile care ar putea impiedica aprinderea si arderea corecta.
Combustibil utilizabil:
Peleti de rumegus din lemn de 6 mm diametru.
Arzatoarele si snecul se comercializeaza si se factureaza impreuna
Arzator peleti B-Max B-Home Round 34 kW - dimensiuni


Doar Ce Te-Ai Uitat Și La...















