Cazan (centrala) pe combustibil solid Sunsystem Burnit WBS AC MAGNA 450 kW V2

Cazan (centrala) pe combustibil solid Sunsystem Burnit WBS AC MAGNA 450 kW V2
Cazan pe combustibil solid BURNiT WBS AC Magna – cazan din otel pentru încălzirea încăperilor mari – clădiri rezidențiale și publice, hale de producție.
Cazanul este echipat cu doua ventilatoare suflante cu supape de siguranță pentru controlul de admisie a aerului și tirajul coșului clapa.
În ciuda dimensiunilor sale impresionante WBS AC Magna este ușor de transportat și de instalat. Poate fi conectat la un sistem de încălzire închis sau deschis.
Conceput pentru combustibil solid și are capacitate de montare de arzător pe peleți.
Testat și aprobat conform Norma Europeana EN – 303-5.

AVANTAJE:
Comanda electronică controlează arderea prin gestionarea funcționării ventilatorului; posibilitate de gestionare a două pompe – pentru încălzire centrală și pentru apă caldă menajeră (ACM).
Presiune maxima de lucru 4 bar.
Cu posibilitatea de alimentare de sisteme termice mari.
Camera de ardere are o suprafață mare de schimb de căldură și o rezistență a camerei mica.
Trei drumuri de fum. Pentru un schimb de căldură mai bun tuburi de fum trec prin manta de apă.
Ușa mare facilitează încărcarea cu combustibil solid (lungimea lemnului de până la un metru).
Tevile de evacuare se curata usor, datorita ușă de revizie superioară a cazanului.
Ocular pentru controlul vizual al procesului de ardere.
Carcasa demontabila.
Flanșă de arzător (opțional).
DIMENSIUNI DISPONIBILE, KW:
450
DISPOZITIVE DE SIGURANTA
Supapă de siguranță 4 bar – nu este inclusă în se.
Serpentina de răcire in caz de supraîncălzire, prin aceasta trece apă rece, care reduce temperatura cazanului.
Termostat independent STB.
Supape de siguranta montată pe ventilatore.
Clapeta de coș pentru reglarea tirajului.
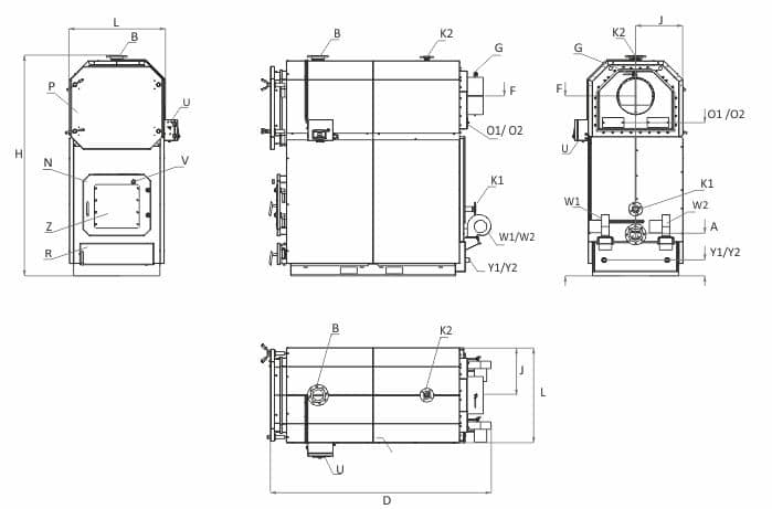
ELEMENTELE CAZANULUI WBS AC MAGNA:
1 – Ieșire apă caldă
2 – Priză Linie de siguranță
3 – Capitonaj demontabil
4 – Izolație de înaltă eficienta
5 – Tuburi de fum
6 – Manta de apă
7 – Trei drumuri de fum
8 – Camera de ardere
9 – Grilaj metalic
10 – Orificii pentru transport
11 – Ușa de revizie
12 – Flanșă de arzător (opțional)
13 – Usa de alimentare
14 – Ușa de revizie
15 – Coș de fum
16 – Intrare apă rece
17 – Două ventilatoare Suflantă
18 – Scurgere
SPECIFICATII TEHNICE



Doar Ce Te-Ai Uitat Și La...
